FH Aalen: Erstmals jahrgenaue archäologische Datierung berührungslos gelungen
An drei keltischen Tierskulpturen aus dem Württembergischen Landesmuseum ist es weltweit erstmals mittels eines Computertomographen an der Fachhochschule Aalen gelungen, fragile archäologische Objekte berührungsfrei aufs Jahr genau zu datieren. Die keltischen Holzfiguren aus der Viereckschanze von Fellbach-Schmiden gehören zum kostbarsten Bestand des Württembergischen Landesmuseums. Im Mittelpunkt ihrer Untersuchung stand die Standardisierung des computertomographischen Verfahrens zur dendrochronologischen Datierung in der Archäologie. Wertvolle Objekte wie die Tierskulpturen mussten bislang undatiert bleiben, weil sie zur Altersbestimmung entweder gebohrt oder aufgeschnitten werden mussten. Diese Methoden wurden zur Altersbestimmung des Brunnens angewandt. Er konnte auf das Jahr 123 v. Chr. datiert werden. Das Alter der darin gefundenen Skulpturen blieb unbekannt. Mithilfe computertomographischer Aufnahmen gelang es nun am Institut für Botanik der Universität Hohenheim, festzustellen, dass die Eiche, aus der die Skulpturen geschnitzt wurden, im Jahr 127 v. Chr. gefällt wurde.
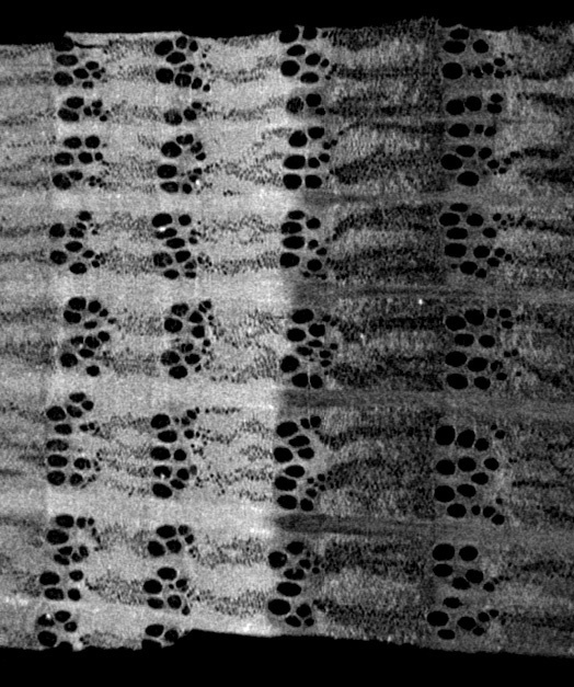
Um die Eignung der Computertomograhphie für die zerstörungsfreie Dendrochronologie zu testen, untersuchte Dr. Irmgard Pfeifer-Schäller im Gießereilabor der Fachhochschule Aalen zehn Proben von häufig vorkommenden Hölzern, bevor die archäologischen Kostbarkeiten aus Stuttgart auf den Drehteller kamen. Außer dem Drehteller für die Objekte besteht der Computertomograph aus einer Röntgenröhre und einem Flächendetektor. Durch die Drehung des Objektes auf dem Teller wird dieses von allen Seiten mit Röntgenstrahlen durchleuchtet. Die detektierten Daten werden an einem Großrechner zu einem dreidimensionalen Bild des Objektes zusammengefügt. Ein Messvorgang dauert etwa eine Stunde. Die gewonnen Bilder erzielen eine Auflösung von bis zu 0,005 Millimeter.
Als sensationell bezeichnet der Agrarbiologe Michael Friedrich vom Institut für Botanik der Universität Hohenheim die Bilder des Computertomographen in Aalen. Darin würden Strukturen im Holz sichtbar, die Experten sonst nur von lichtmikroskopischen Schnitten zu Gesicht bekämen. Zudem enthielten die Bilder Zusatzinformationen wie den Übergang vom Kernholz zum Splintholz. Anhand dieser Zusatzinformationen ist eine Altersbestimmung von plus/minus zehn Jahren möglich. Dazu wurden die computertomographisch gewonnenen Jahrringkurven der Holzfiguren mit einer Referenzkurve verglichen, die 10480 Jahre in die Vergangenheit zurückreicht. Daraus ergab sich nicht nur das Fälljahr der Eiche in 127 v. Chr. Der Stuttgarter Forscher konnte anhand der computertomographischen Bilder den Nachweis führen, dass die Tierfiguren exakt gleich alt und aus demselben Baum geschnitzt sind. Bei dem Baum handelte es sich um eine Eiche aus Baden-Württemberg, die aufgrund ihres Jahrringmusters in einem dichten Eichenwald gestanden haben musste.
Die kunstvoll aus dem Eichenholz gearbeiteten Tierfiguren gehören demnach zu einem weitaus größeren Kultwerk. Dieses stand einst in einer sogenannten Viereckschanze - einem keltischen Herrenhof. Nach dessen wohl gewaltsamen Ende überdauerten Teile des zerschlagenen und weggeworfenen Kultwerkes die Zeiten in einem mit Siedlungsabfall zugeschütteten Brunnenschacht. Nur in dessen wasserführendem unterem Bereich konnten sich die Hölzer der drei Skulpturen unter ständigem Luftabschluss erhalten. Im Landesmuseum muss das feuchte Holz der Tierfiguren konserviert werden, in dem das die Zellwände stabilisierende Wasser durch einen weniger flüchtigen, stabilen Stoff ausgetauscht wird. Anderenfalls zerfallen die Stücke innerhalb weniger Tage und Wochen an der Luft. Um den Erfolg seiner konservierenden Maßnahme feststellen zu können, müsste der Restaurator ins Innere der Figuren blicken können. Dank der computertomographischen Aufnahmen ist ihm das nun auch möglich. Die berührungslos aufgenommenen Bilder helfen daher auch dabei, den unsausweichlichen Verfall der archäologischen Preziosen hinauszuzögern.
Kostbarkeiten wie die Hirschfiguren werden am Landesmuseum häufig als Leihgabe für Keltenausstellungen angefragt. Doch aus konservatorischen Gründen können diese erst gar nicht auf Reisen gehen. Stattdessen werden abgegossenen Kopien versandt. Im Falle der keltischen Skulpturen ist das Material jedoch ein poriges über 2000 Jahre altes Eichenholz, dessen Oberfläche abschiefert und noch Farbreste der einst goldgelben Fassung aufweist. Ein Abguss wäre hier nicht mehr zu vertreten. Abhilfe verschafft erneut die Computertomographie: Die Daten, die zur Rekonstruktion der dreidimensionalen Bilder von den Figuren gewonnen wurden, lassen sich in einen Stereolithographen einspeisen, der aus flüssigem Harz Modelle der Bilder in unterschiedlichen Maßstäben erzeugt.
Eine solche Anfrage begründete auch die Zusammenarbeit des Landesmuseums Baden-Württemberg mit der Fachhochschule Aalen. Für die Ausstellung 'Menschen - Zeiten - Räume' in Berlin wurden dringend die Brunnenfiguren aus Fellbach-Schmiden benötigt, erklärt Peter Heinrich, der im Landesmuseum das Referat Restaurierung, Kunsthandwerk und Archäologie leitet und sich seinerzeit nach Replizierverfahren umschaute und dabei auf die FH Aalen stieß. Die Entdeckung seines Kollegen Moritz Paysan bei der Durchleuchtung der Tierfiguren, dass diese Reste von Splintholz aufweisen, rief das Institut für Botanik der Universität Hohenheim auf den Plan. Der Direktor des Württembergischen Landesmuseum, Prof. Dr. Volker Himmelein, begrüßt die fächerübergreifende Zusammenarbeit und spricht vom Anfang von etwas Neuem in der Archäologie. "Künftig wird es dank der Computertomographie zahlreiche neue Möglichkeiten und Verfahren geben, archäologische wie kunsthistorisch bedeutsame Objekte berührungslos zu datieren und hochauflösend mit unterschiedlichen Fragestellungen zu analysieren", ergänzt Hauptkonservator Dr. Erwin Keefer.
Die semantisch ähnlichsten Pressemitteilungen im idw
