Milch kann MS-Symptome verstärken
Menschen mit Multipler Sklerose klagen nach dem Konsum von Milchprodukten oft über stärkere Krankheitssymptome. Forschende der Universitäten Bonn und Erlangen-Nürnberg haben nun einen möglichen Grund dafür gefunden. Demnach kann ein Protein der Kuhmilch Entzündungen auslösen, die sich gegen die „Isolierschicht“ um die Nervenzellen richten. Die Studie konnte diesen Zusammenhang in Mäusen nachweisen, fand aber auch Hinweise auf einen ähnlichen Mechanismus in Menschen. Bestimmte Gruppen von Betroffenen sollten daher Milchprodukte meiden, empfehlen die Wissenschaftlerinnen und Wissenschaftler. Die Studie ist nun in der Zeitschrift PNAS erschienen.
Auslöser der Studie waren Berichte von MS-Patientinnen und -Patienten: „Wir hören immer wieder von Betroffenen, dass es ihnen schlechter geht, wenn sie Milch, Quark oder Joghurt zu sich nehmen“, erklärt Stefanie Kürten vom Anatomischen Institut des Universitätsklinikums Bonn. „Uns interessiert die Ursache für diesen Zusammenhang.“
Die Professorin für Neuroanatomie gilt als ausgewiesene Expertin für Multiple Sklerose. Mit der Studie begannen sie 2018 an der Universität Erlangen-Nürnberg. Vor anderthalb Jahren wechselte sie nach Bonn, wo sie die Arbeiten zusammen mit ihrer Arbeitsgruppe fortsetzte. „Wir haben Mäusen verschiedene Proteine aus der Kuhmilch injiziert“, sagt sie. „So wollten wir herausfinden, ob es einen Bestandteil gibt, auf den sie mit Krankheitssymptomen reagieren.“
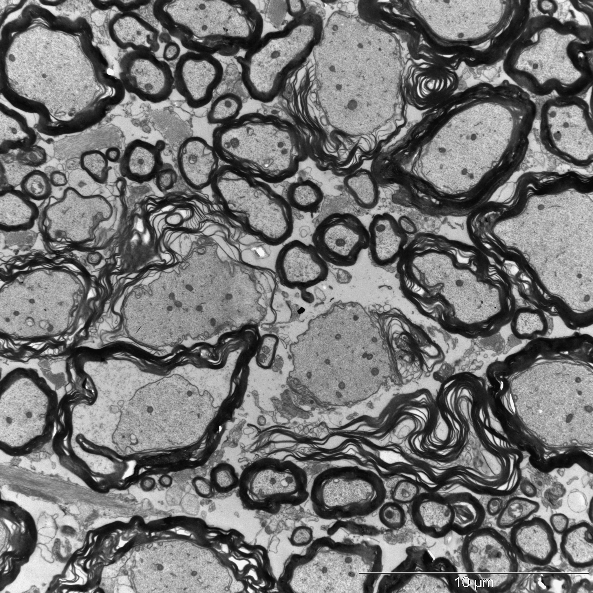
Tatsächlich wurden die Forschenden fündig: Wenn sie den Tieren den Kuhmilch-Inhaltsstoff Casein zusammen mit einem Wirkverstärker verabreichten, entwickelten die Mäuse danach neurologische Störungen. Unter dem Elektronenmikroskop zeigte sich, dass bei ihnen die Isolierschicht um die Nervenfasern geschädigt war, das Myelin. Die fettähnliche Substanz verhindert Kurzschlüsse und beschleunigt zusätzlich erheblich die Reiz-Weiterleitung.
Durchlöcherte Myelinschicht
Bei Multipler Sklerose zerstört das körpereigene Immunsystem die Myelin-Ummantelung. Die Folgen reichen von Missempfindungen über Probleme beim Sehen bis hin zu Bewegungs-Störungen. Im Extremfall enden die Betroffenen im Rollstuhl. Auch in den Mäusen war die isolierende Hülle massiv durchlöchert - offensichtlich ausgelöst durch die Casein-Gabe. „Als Grund vermuteten wir ähnlich wie in MS-Kranken eine fehlgeleitete Immunreaktion“, erklärt Rittika Chunder, die in der Arbeitsgruppe von Prof. Kürten habilitiert. „Die körpereigene Abwehr attackiert eigentlich das Casein, zerstört dabei aber auch Proteine, die an der Bildung des Myelins beteiligt sind.“
Zu einer solchen Kreuzreaktivität kann es kommen, wenn sich zwei Moleküle zumindest in Teilen sehr ähneln. Das Immunsystem verwechselt sie dann gewissermaßen miteinander. „Wir haben das Casein mit verschiedenen Molekülen verglichen, die für die Produktion von Myelin wichtig sind“, sagt Chunder. „Dabei sind wir auf ein Eiweiß namens MAG gestoßen. Es sieht dem Casein in manchen Bereichen ausgesprochen ähnlich - so sehr, dass bei den Versuchstieren die Antikörper gegen Casein ebenfalls gegen MAG aktiv waren.“
In den Casein-behandelten Mäusen richtete sich die körpereigene Abwehr also auch gegen MAG, wodurch das Myelin destabilisiert wird. Doch inwieweit lassen sich die Ergebnisse auf Menschen mit MS übertragen? Um diese Frage zu beantworten, gaben die Forschenden Casein-Antikörper von Mäusen zu menschlichem Hirngewebe. Tatsächlich reicherten sie sich dort an den Zellen an, die im Gehirn für die Myelin-Produktion verantwortlich sind.
Selbsttest auf Antikörper gegen Casein
Für die Antikörperproduktion sind bestimmte weiße Blutkörperchen zuständig, die B-Zellen. Die B-Zellen im Blut von MS-Kranken sprechen der Studie zufolge besonders stark auf Casein an. Vermutlich haben die Betroffenen irgendwann durch den Konsum von Milch eine Allergie gegen Casein entwickelt. Sobald sie nun Frischmilchprodukten zu sich nehmen, stellt das Immunsystem daher massenhaft Casein-Antikörper her. Diese schädigen aufgrund der Kreuzreaktivität mit MAG auch die Myelinschicht um die Nervenfasern.
Davon sind allerdings nur MS-Kranke betroffen, die gegen Kuhmilch-Casein allergisch sind. „Wir entwickeln momentan einen Selbsttest, mit dem Betroffene überprüfen können, ob sie entsprechende Antikörper in sich tragen“, sagt Kürten, die auch Mitglied im Exzellenzcluster ImmunoSensation2 ist. „Zumindest diese Subgruppe sollte auf den Konsum von Milch, Joghurt oder Quark verzichten.“
Möglicherweise erhöht Kuhmilch auch bei Gesunden das Risiko, an MS zu erkranken. Denn auch bei ihnen kann Casein Allergien auslösen - das ist vermutlich gar nicht einmal so selten. Sobald eine solche Immunantwort besteht, kann es theoretisch zu einer Kreuzreaktivität mit dem Myelin kommen. Das bedeute allerdings nicht, dass sich bei einer Überempfindlichkeit gegen Casein zwangsläufig eine Multiple Sklerose entwickle, betont die Professorin. Dazu seien vermutlich noch weitere Risikofaktoren erforderlich. Beunruhigend sei dieser Zusammenhang dennoch, meint Kürten: „Studien zufolge sind die MS-Zahlen in Bevölkerungsgruppen erhöht, in denen viel Kuhmilch konsumiert wird.“
Beteiligte Institutionen und Förderung:
Neben der Universität Bonn waren auch die Friedrich-Alexander-Universität Erlangen-Nürnberg, das Klinikum St. Marien Amberg und die Stanford University School of Medicine beteiligt. Die Studie wurde durch die Deutsche Forschungsgemeinschaft (DFG), das IZKF-ELAN-Programm der Universität Erlangen-Nürnberg sowie private Spender unterstützt.
Wissenschaftlicher Ansprechpartner:
                                Prof. Dr. Stefanie Kürten
Neuroanatomie
Anatomisches Institut am Universitätsklinikum Bonn
Tel. +49-228-732601
E-Mail: stefanie.kuerten@ukbonn.de
Originalpublikation:
                                Rittika Chunder et al.: Antibody cross-reactivity between casein and myelin-associated glycoprotein results in central nervous system demyelination with implications for the immunopathology of multiple sclerosis; PNAS; DOI: https://doi.org/10.1073/pnas.2117034119
                                
Die semantisch ähnlichsten Pressemitteilungen im idw
 
					
					
				
