Antimikrobiell aktive Beschichtungen für Kontakt- und Kontaminationsflächen in öffentlichen Bereichen
Kontaminierte Flächen spielen eine Schlüsselrolle bei der Übertragung und Verbreitung von Mikroorganismen. Antimikrobielle Oberflächen stellen daher ein wichtiges Mittel zur Infektionsprävention dar. Insbesondere durch die Corona-Pandemie ist dieses Thema verstärkt ins öffentliche Bewusstsein gerückt.
In dem von der IGF geförderten Forschungsprojekt Safe TOUCH ist es gelungen, eine langlebige metallisch/keramische Beschichtung aus Al2O3 mit dauerhaft antimikrobiellen Eigenschaften (durch geringe Cu-Zugabe) zu entwickeln. Die Beschichtung ist wenige µm dick und kann auf alle rauen Oberflächen wie Metalle und temperaturstabilen Kunststoffe in verschiedenen Designs abgeschieden werden.
Die neuen Beschichtungen sind haftfest und abrasionsstabil (vergleichbar mit Harteloxal!). Dabei verbessern die Cu-Partikel die Haftungs- und Abrasionseigenschaften der Al2O3-Beschichtung.
Ihre antibakterielle Wirkung wurde erfolgreich gegen E.coli (gram-) und S.aureus (gram+) getestet, ebenso wie ihre antivirale Wirkung am Beispiel des modifizierten Vacciniavirus Stamm Ankara (MVA) und dem murines Norovirus (MNV). Dafür wurden Tests in Anlehnung an die ISO 22196 und ISO 21702 durchgeführt, bei denen die zu testenden Oberflächen mit einer definierten Menge von Bakterien bzw. Viren in Kontakt gebracht werden. Bei den auf Kontaktzeiten von 24h ausgelegten Tests konnte eine sehr gute Wirkung schon nach 60min nachgewiesen werden. Die Wirkung bleibt auch nach Tests zur mechanischen Beanspruchung (Washability) und zur chemischen Auslaugung der Oberflächen (Eluat-Test) langfristig stabil.
Diese Technologie erweitert das Spektrum verfügbarer Oberflächenlösungen im Kampf gegen schädliche Viren und Bakterien. Durch die Applikation dauerhaft wirksamer Beschichtungen können Reinigungsprozesse effizienter gestaltet und der Einsatz chemischer Desinfektionsmittel reduziert werden.
Kaltplasmaspritzen – innovative Technologie zur Schichtapplikation
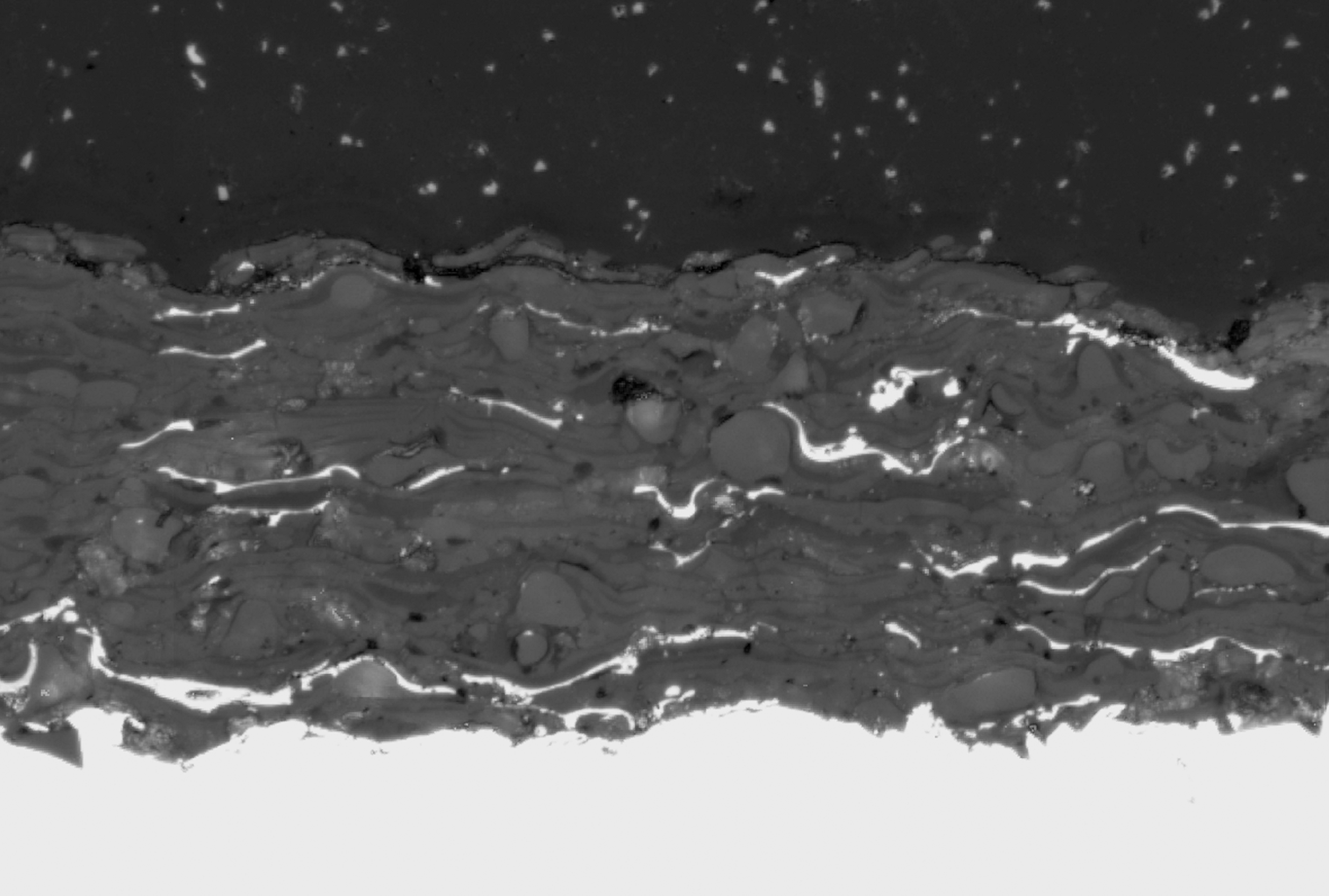
Plasmaspritzen ist eine spezielle Beschichtungstechnologie, bei der Partikel oder Drahtmaterial in einem Plasma angeschmolzen und als mechanisch stabile Schicht auf der Oberfläche abgeschieden werden. Eine Spezialform dieses Verfahrens ist das Kaltplasmaspritzen. Durch die niedrigere Plasmaleistung und Prozesstemperatur können auch abhängig von der Prozessführung thermisch labile Substratwerkstoffe wie Kunststoffe beschichtet werden.
Die verwendeten Pulver haben in der Regel mittlere Korndurchmesser von ca. 10 – 20µm, was eine Abscheidung von Beschichtungen mit einer Schichtdicke zwischen 20 und 100µm wirtschaftlich macht.
Zielstellung des Projektes
Die Beschichtungen sind in Zusammenarbeit mit der Forschungsvereinigung DECHEMA Gesellschaft für Chemische Technik und Biotechnologie e.V. entwickelt worden. Ziel war die Entwicklung einer neuartigen, antibakteriell und antiviral wirkenden langzeitaktiven Beschichtung für Gegenstände des täglichen Bedarfs, die in ihrer Funktion regelmäßig mit den Händen berührt werden. Dadurch soll sich die Gefahr einer Übertragung von Keimen, Bakterien und Viren durch Berührung / körperlichen Kontakt verringern.
Bevorzugte Anwendungsorte sind dafür alle Bereiche des öffentlichen Lebens wie
• Öffentliche Gebäude, Veranstaltungsräume, Arztpraxen – Griffe und Klinken, Handläufe, Schalter, Terminals, Möbeloberflächen, …
• Verkehrsmittel – Haltestangen, Taster, Sitze, Griffe, …
• Verkaufseinrichtungen, Restaurants – Griffe, Tische und Stühle, Sanitärbereiche, …
• Firmen / Institute / Arbeitsstätten – Arbeitsplätze, Tastaturen, Telefone, …
Weitere Einsatzgebiete der Beschichtung können insbesondere in hygienischen Hochrisikobereichen liegen, auch an schwer zugänglichen und für Reinigungsroutinen problematischen Stellen.
Die Ausstattung von Drahtgeweben und Filterkeramiken mit der Beschichtung minimiert die Biofilmbildung, was zu einer Verbesserung der Gebrauchseigenschaften und der Lebensdauer führt.
Über INNOVENT
Die Industrieforschungseinrichtung INNOVENT e.V. analysiert, forscht und entwickelt seit 30 Jahren in den Bereichen Oberflächentechnik, Magnetisch-Optische Systeme und Biomaterialen. Das Institut aus Jena beschäftigt etwa 130 Mitarbeiter, leitet verschiedene Netzwerke und führt bundesweit Fachtagungen durch. INNOVENT ist Gründungsmitglied der Deutschen Industrieforschungsgemeinschaft Konrad Zuse.
Wissenschaftlicher Ansprechpartner:
INNOVENT e. V. Technologienentwicklung Jena
Dr. Andreas Pfuch
Bereichsleiter Oberflächentechnik
Dr. Kerstin Horn
Wissenschaftliche Ansprechpartnerin
E-Mail: k.horn@innovent-jena.de
Die semantisch ähnlichsten Pressemitteilungen im idw